Home › Unlabelled ›
1999 Ford Windstar Pcm Wiring Diagram : 2001 Ford Windstar Starter Wiring Diagram Wiring Diagram Conductor Warehouse B Conductor Warehouse B Leoracing It : Limited ford windstar lx ford windstar se ford windstar sel ford zx2 ford aerostar ford aspire ford bronco ford cab & chassis ford club wagon ford contour ford crown victoria ford cutaway ford probe ford ranger ford super duty ford taurus ford windstar.
1999 Ford Windstar Pcm Wiring Diagram : 2001 Ford Windstar Starter Wiring Diagram Wiring Diagram Conductor Warehouse B Conductor Warehouse B Leoracing It : Limited ford windstar lx ford windstar se ford windstar sel ford zx2 ford aerostar ford aspire ford bronco ford cab & chassis ford club wagon ford contour ford crown victoria ford cutaway ford probe ford ranger ford super duty ford taurus ford windstar.. Truck tractor, road chassis, construction chassis with two, three and four axles. Blown fuses are identified by a broken wire within the fuse. The following tutorials will help you with test the ignition coil packs: It was a copy i had to photoshop to make it readable & printable. I recently moved to an island off the coast of washington and noted that when i leave the windstar in the driveway at night the engine starts then stops (several times).
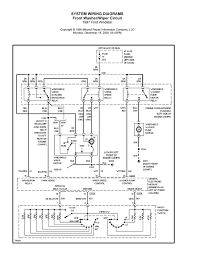
Vehicle wiring diagrams includes wiring diagrams for cars and wiring diagrams for trucks. How to test the 2 coil packs. Brn/wht wires feeds the tps 5 volts dc. Diagrama electrico de ford winstard 99. You can view the 1999 ford windstar owner guide ( which includes the fuse diagram ) online at :
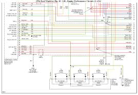
1999 Ford Windstar Engine Diagram Wiring Diagram Load Activity B Load Activity B Miceincampania It from www.justanswer.com I need the pcm pinout for a 2000 7.3 powerstroke, if possable the wire schematic would be nice also. These were scanned and posted as very large files, to preserve their readability. Diagrama electrico de ford winstard 99. This typical ignition system circuit diagram applies only to the 1997, 1997, and 1999 4.6l v8 ford f150 and f250 only. .ford focus, ford focus electric, ford freestar, ford freestyle, ford fusion, ford fusion hybrid, ford mustang, ford probe, ford ranger, ford superduty, ford taurus, ford tempo, ford transit connect or ford windstar, our remote starter wiring diagrams are here to help with your ford. Here's a brief description of the throttle position sensor (tps) circuits: Handy wiring diagram that shows a paper trail of how the electrical system works for the 7.3l powerstroke engines, all trucks, excursions, vans. Dodge ram 2005, wiring diagrams.
Car wiring diagram software provide the whole view of the wiring diagram in a car,component location diagram and maintenance method.
The 1999 ford transit cold start wiring diagram can be obtained from most ford dealerships. Cargo engine management system schematics. We have the following 1999 ford windstar manuals available for free pdf download. The following tutorials will help you with test the ignition coil packs: Throttle position sensor (tps) wiring diagram (1997, 1998 ford 4.6l, 5.4l). Handy wiring diagram that shows a paper trail of how the electrical system works for the 7.3l powerstroke engines, all trucks, excursions, vans. Ford motor company 1999 ford ranger owner's guide (217 pages). I have a 2000 ford windstar se. The only other thing that i see on the wiring diagram is three wires from the switched power side of gpr connecting three pins on the pcm. How to test the 2 coil packs. 1999 ford f150 engine diagram | automotive parts diagram. This typical ignition system circuit diagram applies only to the 1997, 1997, and 1999 4.6l v8 ford f150 and f250 only. Here's a brief description of the throttle position sensor (tps) circuits:
Here's a brief description of the throttle position sensor (tps) circuits: Google on line key word wiring diagram for 1999 ford windstar. Brn/wht wires feeds the tps 5 volts dc. I have a 1999 ford windstar and it didn't come with an owners manual, i need to know if someone can send a copy of the fuse panel codes as the. The 1969 diagrams and all others marked with a red asterisk.
1999 Windstar Fuse Diagram Wiring Diagram Base Camp Essay B Camp Essay B Jabstudio It from circuitswiring.com Google on line key word wiring diagram for 1999 ford windstar. This ford smart charging system is configured such that the pcm determines the required charging voltage and sends the command to the voltage regulator that is housed in the generator case (see the wiring diagram in figure 1). Limited ford windstar lx ford windstar se ford windstar sel ford zx2 ford aerostar ford aspire ford bronco ford cab & chassis ford club wagon ford contour ford crown victoria ford cutaway ford probe ford ranger ford super duty ford taurus ford windstar. I need the pcm pinout for a 2000 7.3 powerstroke, if possable the wire schematic would be nice also. Truck tractor, road chassis, construction chassis with two, three and four axles. Diagrama electrico de ford winstard 99. Pcm pinout ford truck enthusiasts forums wiring harness diagram needed 2006 2001 escape 420cfb 1993 explorer pin out electrical problem swapping ford modular engines. Diagrama electrico de ford winstard 99.
I have a 1999 ford windstar and it didn't come with an owners manual, i need to know if someone can send a copy of the fuse panel codes as the.
The ford cargo truck family is produced in turkey and brazil. Blown fuses are identified by a broken wire within the fuse. It's very detailed and shows how every wire for each component routes to the. Here's a brief description of the throttle position sensor (tps) circuits: The following tutorials will help you with test the ignition coil packs: Full repair manual book chevrolet tahoe, suburban, blazer и gmc yukon, jimmy с 1987 по 1999 гг. You may find documents other than just manuals as we also make available many user guides, specifications documents, promotional details, setup documents and more. How to test the 2 coil packs. Also you can go to most auto parts stores and buy a maintenance manual which has wiring diagrams in the back. I can keep the engine going for a while by adding gas pedal, but don't want to put it in gear when i am. This ford smart charging system is configured such that the pcm determines the required charging voltage and sends the command to the voltage regulator that is housed in the generator case (see the wiring diagram in figure 1). Most of the wiring diagrams posted on this page are scans of original ford diagrams, not aftermarket reproductions. I need the pcm pinout for a 2000 7.3 powerstroke, if possable the wire schematic would be nice also.
It's very detailed and shows how every wire for each component routes to the. This ford smart charging system is configured such that the pcm determines the required charging voltage and sends the command to the voltage regulator that is housed in the generator case (see the wiring diagram in figure 1). I need the pcm pinout for a 2000 7.3 powerstroke, if possable the wire schematic would be nice also. The 1969 diagrams and all others marked with a red asterisk. Full repair manual book chevrolet tahoe, suburban, blazer и gmc yukon, jimmy с 1987 по 1999 гг.
1999 Ford Windstar Pcm Wiring Diagram Wiring Diagram Power Design Power Design Ristoranteallelogge It from lh6.googleusercontent.com 1999 windstar automobile pdf manual download. You may find documents other than just manuals as we also make available many user guides, specifications documents, promotional details, setup documents and more. Fuse box diagram (location and assignment of electrical fuses and relays) for ford windstar (1999, 2000, 2001, 2002, 2003). Brn/wht wires feeds the tps 5 volts dc. See more on our website. Our community is here to help you with any questions you have related to your ford. If you are having problems with the turn signals, you should begin diagnosis by scanning these modules for fault codes. Google on line key word wiring diagram for 1999 ford windstar.
Keywords related to 1999 ford windstar charging system design.
Dodge ram 2005, wiring diagrams. Brn/wht wires feeds the tps 5 volts dc. Handy wiring diagram that shows a paper trail of how the electrical system works for the 7.3l powerstroke engines, all trucks, excursions, vans. Pcm pinout ford truck enthusiasts forums wiring harness diagram needed 2006 2001 escape 420cfb 1993 explorer pin out electrical problem swapping ford modular engines. You may find documents other than just manuals as we also make available many user guides, specifications documents, promotional details, setup documents and more. This typical ignition system circuit diagram applies only to the 1997, 1997, and 1999 4.6l v8 ford f150 and f250 only. Limited ford windstar lx ford windstar se ford windstar sel ford zx2 ford aerostar ford aspire ford bronco ford cab & chassis ford club wagon ford contour ford crown victoria ford cutaway ford probe ford ranger ford super duty ford taurus ford windstar. Truck tractor, road chassis, construction chassis with two, three and four axles. Most of the wiring diagrams posted on this page are scans of original ford diagrams, not aftermarket reproductions. 1999 ford f150 engine diagram | automotive parts diagram. This ford smart charging system is configured such that the pcm determines the required charging voltage and sends the command to the voltage regulator that is housed in the generator case (see the wiring diagram in figure 1). The ford cargo truck family is produced in turkey and brazil. The truck is offered in several versions: